Поиск по сайту
Авторизация
Логин:
Пароль:
Забыли свой пароль?
Зарегистрироваться
Информация

AFC Aktakom FCounter Программное обеспечение для частотомеров

AFC Aktakom FCounter Программное обеспечение для частотомеров
AFC Aktakom FCounter Программное обеспечение для частотомеров - метки
Торговая марка: АКТАКОМ
Совместимо с Windows®

Программное обеспечение АСН-832X SW позволяет выполнять полнофункциональное дистанционное управление частотомером по интерфейсам: USB, LAN. Кроме, всех функций измерения, математики и статистики, которые есть в локальном режиме работы частотомера, АСН-832X SW позволяет выполнять и ряд других операций недоступных в локальном режиме.

Розничная цена: 17 690,00 руб.

НДС включён в цену

В корзину Быстрый заказ
(без регистрации)


Загрузить

Для загрузки программного обеспечения АКТАКОМ, а также за технической поддержкой программного обеспечения АКТАКОМ обращайтесь на сайт www.aktakom.ru.

Для частотомеров АКТАКОМ серии ACH-832X имеется "фирменное" приложение AKTAKOM FCounter и комплект разработчика программного обеспечения, позволяющий создавать пользователю собственные программы для работы с прибором.

Программное обеспечение позволяет выполнять полнофункциональное дистанционное управление частотомером по интерфейсам: USB, LAN. Кроме, всех функций измерения, математики и статистики, которые есть в локальном режиме работы частотомера, AKTAKOM FCounter позволяет выполнять и ряд других операций недоступных в локальном режиме.

Рабочее окно делится на 3 области: верхнюю, центральную и нижнюю

В верхней области располагается меню управления состоящее из 5 закладок:

  • Связь - закладка, которая предназначена для поиска подсоединенных устройств (частотомеров), которые могут быть подключены к компьютеру и, в дальнейшем, управляться через программное обеспечение
  • Сокеты - закладка, которая служит для установки параметров подключения при управлении по LAN
  • Настройки - закладка, служащая для настройки параметров измерения: канал измерения, тип входа, режимы тактирования и синхронизации и т.п.
  • Вычисления - закладка, предназначеная для отображения результатов обработки и вычислений
  • Дополнительно- закладка для выполнения калибровки, включения режимов часов и звуковых эффектов.

Центральная область рабочего окна - предназначена для запуска и остановки процесса измерения и отображения результатов измерений

И, наконец, в нижней части рабочей области, в зависимости от включенной закладки, отображаются режимы "Самописец" или "Статистика"

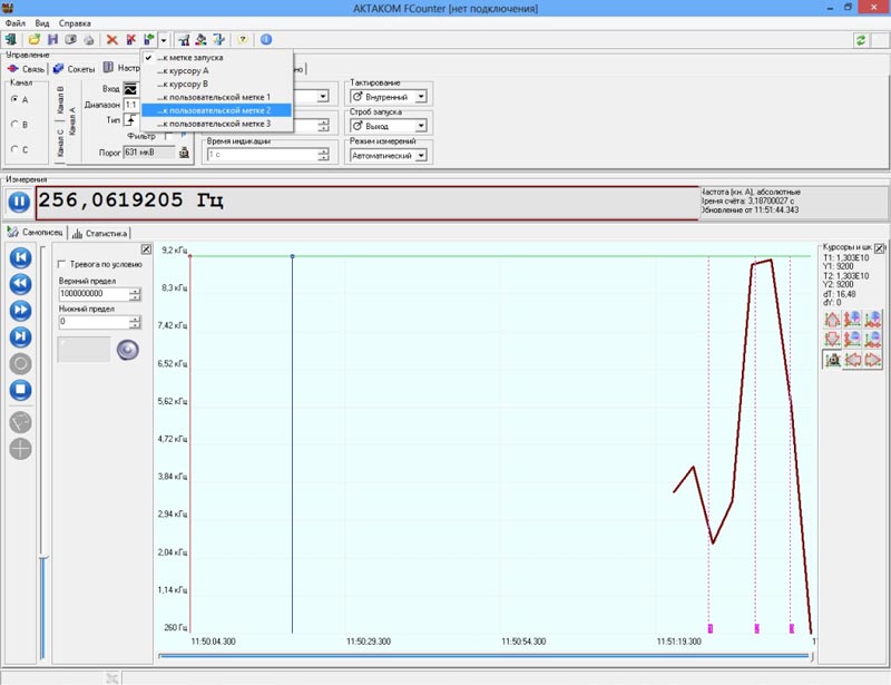
Если активной является закладка "Самописец", то на экране строятся тренды, т.е. график изменения частоты во времени. Это очень удобно, когда требуется регистрировать изменение частоты во времени без участия пользователя. Для документирования, данные могут сохраняться в файл, а, также, в дальнейшем, вызываться из файла и обрабатываться

Отображение трендов было невозможно в локальном режиме. На приведенном скриншоте видно, что появились еще 2 функции, которые, также, были недоступны в локальном режиме: тревога по условию и курсорные измерения. При установке функции "режима тревоги по условию" отслеживается, чтобы текущее значение частоты не выходило за указанные пределы. В случае такого выхода включится сигнализация.

Если активной является окно "Статистика", то на экране отображаются результаты статистической обработки, а, также, можно наблюдать представление результатов в виде гистограмм с возможностью курсорных измерений

Частотомер может дистанционно управляться, не только по интерфейсу USB 1.1, но и подключаться к Ethernet через интерфейс LAN, что позволяет использовать частотомер в тех местах и в тех случаях, где присутствие человека затруднительно. Это позволяет существенно расширить сферу использования частотомера.

Стандартная комплектация

Программное обеспечение в стандартной поставке не имеет физического носителя и может быть загружено на сайте www.aktakom.ru после регистрации прибора с указанием серийного номера.

Программное обеспечение распространяется по лицензии.

Для загрузки программного обеспечения нажмите кнопку «Загрузить» или перейдите в раздел «Техническая поддержка» -> «Загружаемые файлы для Вашего прибора АКТАКОМ», затем авторизуйтесь, указав свой логин и пароль. Если Вы ранее не регистрировались на сайте www.aktakom.ru, пройдите по ссылке «Зарегистрироваться» и укажите все необходимые данные.

Затем выберите из списка Ваш прибор АКТАКОМ и введите его серийный номер. ВНИМАНИЕ! Серийный номер необходимо вводить в точности, как он указан на приборе, со всеми буквами, цифрами и другими знаками. Далее потребуется зарегистрировать Ваш продукт АКТАКОМ, если Вы не сделали этого ранее, и принять условия Лицензионного Договора, после чего Вам будут предоставлены ссылки для загрузки программного обеспечения.

Чтобы начать загрузку, просто нажмите кнопку «Загрузить» и выберите папку, в которую нужно сохранить загружаемый файл. Если загружаемый файл имеет расширение zip, перед установкой программного обеспечения файл необходимо распаковать.

Для загрузки приобретенного программного обеспечения Вам потребуется ввести код загрузки программного обеспечения (это, своего рода, пароль, позволяющий загрузить программное обеспечение АКТАКОМ с сайта www.aktakom.ru). Код загрузки будет передан Вам после оплаты счета и оформления товаро-сопроводительных документов в соответствии с действующим законодательством.

Рекомендуется своевременно сделать резервную копию полученных файлов. В случае утраты программного обеспечения (по любой причине) или кода загрузки повторная поставка осуществляется за дополнительную плату.

Программное обеспечение может быть поставлено на физическом носителе (компакт-диске). Запись программного обеспечения на носитель (компакт диск) и его доставка осуществляются за дополнительную плату.

Совместимые приборы

Совместимые операционные системы

  • Windows 7 x32
  • Windows 7 x64
  • Windows 8 x32
  • Windows 8 x64
  • Windows XP x64
  • Windows XP x32

Программное обеспечение АКТАКОМ относится к объектам авторских прав и охраняется в соответствии с ГК РФ ст. 1259.

Торговый знак АКТАКОМ зарегистрирован Федеральной службой по интеллектуальной собственности РФ и охраняется в соответствии с действующим законодательством (ГК РФ ст. 1484).

Windows, эмблема Windows являются охраняемыми товарными знаками корпорации Майкрософт (Microsoft Corporation).


Назад в раздел
Поделиться:
Вся информация на сайте носит справочный характер и не является публичной офертой, определяемой положениями статьи 437 Гражданского кодекса Российской Федерации.
Технические параметры и комплектность поставки товара могут быть изменены производителем без предварительного уведомления.
Приведённые на сайте цены являются ориентировочными и на момент заказа требуют уточнения.
Мы используем файлы 'cookie', чтобы обеспечить максимальное удобство пользователям.